LP128B-5.08
螺钉式PCB接线端子
UL 300V 15A
IEC 250V 24A
- 技术数据
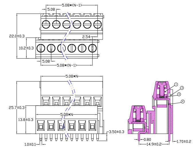
- 产品尺寸
- 认证
- 商业数据
- 下载
基本信息Basic Information
产品型号 LUPU Model | LP128B-5.08 |
产品间距 Pitch【mm】 | 5.08 |
产品层数Number of levels | 2 |
产品位数 Number of connections【P】 | 2*02P,2*03P 可拼接 |
接线方式Connection method | 螺钉锁线 Screw connection |
剥线长度 Stripping Length [mm] | 6--7 |
螺钉/扭矩 Screw/Torque(Max)[N.m] | M2.5 / 0.4 |
工作温度 Operating temperature [℃] | -40~+105 |
焊锡温度 Soldering temperature | 250℃/5S |
引脚尺寸 Pin dimensions[mm] | 0.8×1.0 |
PCB板孔径 PCB Hole Diameter[mm] | Ø 1.5 |
电气参数-IEC
过压类别Overvoltage category | III | III | II |
污染等级Pollution degree | 3 | 2 | 2 |
额定电压Rated Voltage【V】 | 250 | 400 | 630 |
额定电流 Rated Current【A】 | 24 | 24 | 24 |
额定冲击电压 Rated impulse voltage【KV】 | 4 | 4 | 4 |
硬导线截面Conductor cross section solid【mm²】 | 0.5~2.5 | ||
软导线截面 Conductor cross section flexible【mm²】 | 0.5~2.5 | ||
电气参数-UL
使用组别Use group | B | C | D |
额定电流 Rated Current【A】 | 15 | - | 10 |
额定电压 Rated Voltage【V】 | 300 | - | 300 |
额定接线容量 Rated cross section【AWG】 | 30~14 | ||
耐电压 Dielectric Voltage-Withstand【KV】 | 1.6KV | ||
材料数据
材料环保environment | ROHS |
绝缘材料Insulation Material | PA66 |
阻燃等级Flame relardant rating | UL94V-0 |
导电件材质Conductor Material | 铜合金 Copper alloy |
导电件表面镀层 Plating of conductor surface | 镀锡 Sn plated |

CQC CE ROHS
| LP128B-5.08.pdf | 点击下载 |

