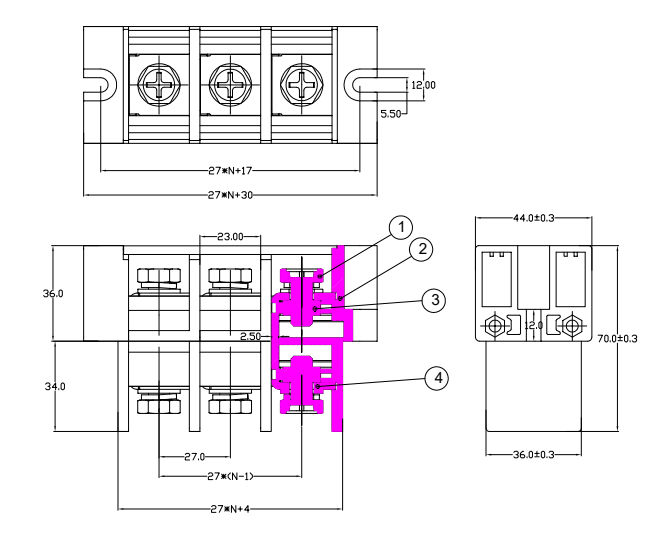
LPTB10-27.0
栅栏式接线端子
额定电压:600V 额定电流:170A
- 技术数据
- 产品尺寸
- 认证
- 商业数据
- 下载
基本信息Basic Information
产品型号 LUPU Model | LPTB10-27.0 |
产品间距 Pitch 【mm】 | 27.0 |
产品层数 Number of levels | 1 |
产品位数 Number of connections 【P】 | 2~12 |
接线方式 Connection method | 螺钉锁线 Screw connection |
螺钉/扭矩 Screw/Torque(Max) | M8.0 /61.2Kgf.cm/6.0Nm/53.1Lb.in |
工作温度 Operating temperature [℃] | -40~+105 |
材质明细
材料环保environment | ROHS |
绝缘材料Insulation Material | PA66 UL94V-0 |
导电件材质Conductor Material | 铜合金 Copper alloy |
导电件表面镀层 Plating of conductor surface | 镀镍 Ni plated |
电气参数
额定电压 Rated Voltage 【V】 | 600 |
额定电流 Rated Current 【A】 | 170 |
额定接线容量 Rated cross section 【AWG】 | 8--2 |
耐电压 Dielectric Voltage-Withstand | AC2200V/1Min |
绝缘电阻 Insulation resistance | 1000MΩ/DC500V |
接触电阻 Contact Resistance | 20mΩ |

| LPTB10-27.0.pdf | 点击下载 |

